P4506熱水器增壓泵(24v)
電壓: 12.5V
揚程: 0-3.5m
噪音: ≤40dB(A)
調速方式:
IP等級: IP65
功能:
介質溫度: 0-43℃
產品應用:
■ 即熱式電熱水器
■ 其它需增壓設備
產品特征:
1.重 量:0.21kg
防護等級:IP55
防護等級:IP55
絕緣等級:F級
使用壽命:20000小時
使用條件:
環(huán)境溫度: -25 ~ 50℃
介質溫度:0 ~ 50℃
介 質:清水
使用場所:室內
特點:
低功耗
低噪音
長壽命
低噪音
長壽命
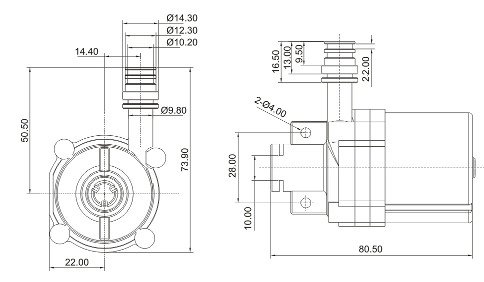
外觀尺寸:

曲線圖:

| 額定電壓 | 使用電壓范圍 | 額定電流 | 最大揚程 | 最大流量 | 額定功率 | 最大噪音 |
| V | V | A | m | L/min | W | dB(A) |
| 24 | 12-28 | 1.0 | 9 | 10 | 24 | ≤50 |


深鵬水泵-張先生
深鵬科技 - 張先生